Boden Hydraulics Co. Ltd. 从事设计、生产、销售于液压元件
  • 
  • 首页
  • 产品 +
    • 定制
    • 行业应用 +
      • 物流搬运车辆
      • 工程机械
      • 农业机械
      • 发电系统
      • 高空作业平台
      • 新能源车辆
    • 关于我们 +
      • 公司介绍
      • 公司发展
      • 工厂展示
    • 服务与支持
    • 视频中心
    • 联系我们
    • 样册下载

    液压齿轮泵

    • 首页
    • 产品
    • 液压齿轮泵
    • 2.6系列齿轮泵

    2.6系列齿轮泵 (6~44cm³/rev.)

    齿轮泵
    齿轮泵 齿轮泵 齿轮泵 齿轮泵
    关键参数
    • 每转的排量:6~44cm³/rev.
    • 旋转方向:D顺时针转、S逆时针转
    • 最低转速:400~800r/min
    • 最高转速:2500~4000r/min
    • 峰值压力:210~300bar
    性能曲线表
    应用行业
    • 工程机械,农业机械,液压系统
    联系我们

    产品特点
    • 低噪音,高效率,寿命长
    • 在低速度下也能实现高性能
    • 多种油口和轴伸可选
    • 轴封无泄漏保证
    • 排量参数表
    • 选型规则
    • 标准型产品尺寸
    2.6系列排量参数表
    排量 吸油绝对压力 最高连续压力 最高间隙压力 最高峰值压力 最低转速 最高转速 容积效率
    V Pe P1 P2 P3 nmin nmax ηv
    cn¹/rev bar r/nin %
    6 0.7...3 250 280 300 800 4000 ≥92
    8
    10 700
    12 3500
    14 600
    16
    19 500 3000 ≥93
    22
    25
    28
    30 230 250 260 400 ≥94
    32
    36 200 230 250 2750
    38
    40 170 190 210 2500 ≥95
    44
    2.6系列选型规则
    PDF 下载
    2.6系列选型规则
    2.6系列齿轮泵
    2.6系列齿轮泵
    2.6系列齿轮泵
    2.6系列齿轮泵
    2.6系列齿轮泵
    2.6系列标准型产品尺寸
    齿轮泵
    齿轮泵
    联系我们
    排量 最大压力 最高转速 最低转速 重量 尺寸 油口代码 进油口 出油口
    P1 P2 P3 M L D d
    (cm³/rev.) bar bar bar (r/min) (r/min) Kg mm mm
    6 250 280 300 4000 800 4 103 49.3 L0 G3/4 G1/2
    8 250 280 300 4000 800 4.3 105 50.3 L0 G3/4 G1/2
    10 250 280 300 4000 700 4.6 107 51.3 L0 G3/4 G1/2
    12 250 280 300 3500 700 4.9 110 52.5 L0 G3/4 G1/2
    14 250 280 300 3500 600 5.2 111 53.3 L0 G3/4 G1/2
    16 250 280 300 3500 600 5.5 114 54.5 L0 G3/4 G1/2
    19 250 280 300 3000 500 5.8 117 56.3 L0 G3/4 G1/2
    22 250 280 300 3000 500 6.1 121 58 L0 G3/4 G1/2
    25 250 280 300 3000 500 6.4 123 59.3 L1 G1 G3/4
    28 250 280 300 3000 500 6.7 126 60.8 L1 G1 G3/4
    30 230 250 260 3000 500 7 129 62 L1 G1 G3/4
    32 230 250 260 3000 400 7.3 131 63.3 L1 G1 G3/4
    36 200 230 250 2750 400 7.6 135 65.3 L1 G1 G3/4
    38 200 230 250 2750 400 7.9 137 66.3 L1 G1 G3/4
    40 170 190 210 2500 400 8.2 139 67.3 L1 G1 G3/4
    44 170 190 210 2500 400 8.5 144 69.5 L1 G1 G3/4
    齿轮泵
    齿轮泵
    联系我们
    排量 最大压力 最高转速 最低转速 重量 尺寸 油口代码 进油口 出油口
    P1 P2 P3 M L B D C b d c
    (cm³/rev.) bar bar bar (r/min) (r/min) Kg mm mm mm mm mm mm
    6 250 280 300 4000 800 4 103 49.3 E0 30 13 M6 30 13 M6
    8 250 280 300 4000 800 4.3 105 50.3 E0 30 13 M6 30 13 M6
    10 250 280 300 4000 700 4.6 107 51.3 E1 40 20 M8 30 13 M6
    12 250 280 300 3500 700 4.9 110 52.5 E1 40 20 M8 30 13 M6
    14 250 280 300 3500 600 5.2 111 53.3 E1 40 20 M8 30 13 M6
    16 250 280 300 3500 600 5.5 114 54.5 E1 40 20 M8 30 13 M6
    19 250 280 300 3000 500 5.8 117 56.3 E1 40 20 M8 30 13 M6
    22 250 280 300 3000 500 6.1 121 58 E2 51 25 M10 40 18 M8
    25 250 280 300 3000 500 6.4 123 59.3 E2 51 25 M10 40 18 M8
    28 250 280 300 3000 500 6.7 126 60.8 E2 51 25 M10 40 18 M8
    30 230 250 260 3000 500 7 129 62 E2 51 25 M10 40 18 M8
    32 230 250 260 3000 400 7.3 131 63.3 E2 51 25 M10 40 18 M8
    36 200 230 250 2750 400 7.6 135 65.3 E2 51 25 M10 40 18 M8
    38 200 230 250 2750 400 7.9 137 66.3 E2 51 25 M10 40 18 M8
    40 170 190 210 2500 400 8.2 139 67.3 E2 51 25 M10 40 18 M8
    44 170 190 210 2500 400 8.5 144 69.5 E2 51 25 M10 40 18 M8
    齿轮泵
    齿轮泵
    联系我们
    排量 最大压力 最高转速 最低转速 重量 尺寸 油口代码 进油口 出油口
    P1 P2 P3 M L D d
    (cm³/rev.) bar bar bar (r/min) (r/min) Kg mm mm
    6 250 280 300 4000 800 4 103 49.3 U0 1/16-12UNF 7/8-14UNF
    8 250 280 300 4000 800 4.3 105 50.3 U0 1/16-12UNF 7/8-14UNF
    10 250 280 300 4000 700 4.6 107 51.3 U0 1/16-12UNF 7/8-14UNF
    12 250 280 300 3500 700 4.9 110 52.5 U0 1/16-12UNF 7/8-14UNF
    14 250 280 300 3500 600 5.2 111 53.3 U0 1/16-12UNF 7/8-14UNF
    16 250 280 300 3500 600 5.5 114 54.5 U0 1/16-12UNF 7/8-14UNF
    19 250 280 300 3000 500 5.8 117 56.3 U0 1/16-12UN 7/8-14UNF
    22 250 280 300 3000 500 6.1 121 58 U0 1/16-12UNF 7/8-14UNF
    25 250 280 300 3000 500 6.4 123 59.3 U1 5/16-12UNF 1/16-12UNF
    28 250 280 300 3000 500 6.7 126 60.8 U1 5/16-12UNF 1/16-12UNF
    30 230 250 260 3000 500 7 129 62 U1 5/16-12UNF 1/16-12UNF
    32 230 250 260 3000 400 7.3 131 63.3 U1 5/16-12UNF 1/16-12UNF
    36 200 230 250 2750 400 7.6 135 65.3 U1 5/16-12UNF 1/16-12UNF
    38 200 230 250 2750 400 7.9 137 66.3 U1 5/16-12UNF 1/16-12UNF
    40 170 190 210 2500 400 8.2 139 67.3 U1 5/16-12UNF 1/16-12UNF
    44 170 190 210 2500 400 8.5 144 69.5 U1 5/16-12UNE 1/16-12UNF
    齿轮泵
    齿轮泵
    联系我们
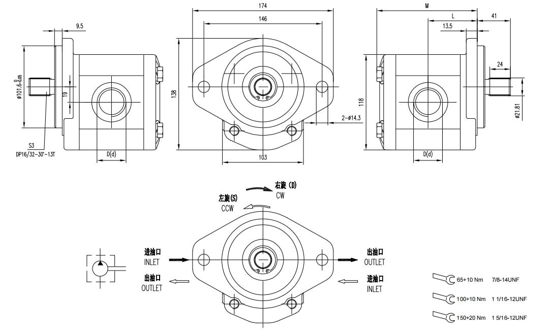
    排量 最大压力 最高转速 最低转速 重量 尺寸 油口代码 进油口 出油口
    P1 P2 P3 M D d
    (cm³/rev.) bar bar bar (r/min) (r/min) Kg mm
    6 250 280 300 4000 800 4.15 118 L0 G3/4 G1/2
    8 250 280 300 4000 800 4.45 120 L0 G3/4 G1/2
    10 250 280 300 4000 700 4.75 122 L0 G3/4 G1/2
    12 250 280 300 3500 700 5.05 125 L0 G3/4 G1/2
    14 250 280 300 3500 600 5.35 126 L0 G3/4 G1/2
    16 250 280 300 3500 600 5.65 129 L0 G3/4 G1/2
    19 250 280 300 3000 500 5.95 132 L0 G3/4 G1/2
    22 250 280 300 3000 500 6.25 136 L0 G3/4 G1/2
    25 250 280 300 3000 500 6.55 138 L1 G1 G3/4
    28 250 280 300 3000 500 6.85 141 L1 G1 G3/4
    30 230 250 260 3000 500 7.15 144 L1 G1 G3/4
    32 230 250 260 3000 400 7.45 146 L1 G1 G3/4
    36 200 230 250 2750 400 7.75 150 L1 G1 G3/4
    38 200 230 250 2750 400 8.05 152 L1 G1 G3/4
    40 170 190 210 2500 400 8.35 154 L1 G1 G3/4
    44 170 190 210 2500 400 8.65 159 L1 G1 G3/4
    • 液压齿轮泵
        0.5系列小型齿轮泵 1系列齿轮泵 1.2系列齿轮泵 1.25系列齿轮泵 1.3系列齿轮泵 1.5系列齿轮泵 2系列齿轮泵 2.1D系列低噪音齿轮泵 2.5D系列低噪音齿轮泵 2.5系列齿轮泵 2.6系列齿轮泵 3系列齿轮泵 3.5系列齿轮泵 4系列齿轮泵
    • 多联泵
        1/1系列双联泵 1.25/1.25系列双联泵 2/1系列双联泵 2/2系列双联泵 2.5/2.5系列双联泵 2.6/2系列双联泵 2.6/2.6系列双联泵 3/1系列双联泵 3/2系列双联泵 3/3系列双联泵 3A/2.6A系列双联泵
    • 液压同步马达
        1.25系列同步马达 2系列同步马达
    • 高低压泵
        1G/1G系列高低压泵 1.3G/1.3G系列高低压泵 2G/2G系列高低压泵
    相关产品
    3系列齿轮泵 3系列齿轮泵
    3.5系列齿轮泵 3.5系列齿轮泵
    4系列齿轮泵 4系列齿轮泵
    0.5系列小型齿轮泵 0.5系列小型齿轮泵
    1系列齿轮泵 1系列齿轮泵
    1.2系列齿轮泵 1.2系列齿轮泵
    1.25系列齿轮泵 1.25系列齿轮泵
    1.3系列齿轮泵 1.3系列齿轮泵
    1.5系列齿轮泵 1.5系列齿轮泵
    2系列齿轮泵 2系列齿轮泵
    2.1D系列低噪音齿轮泵 2.1D系列低噪音齿轮泵
    2.5D系列低噪音齿轮泵 2.5D系列低噪音齿轮泵
    2.5系列齿轮泵 2.5系列齿轮泵
    2.6系列齿轮泵 2.6系列齿轮泵
    联系我们

    我们的技术销售团队拥有广泛的关于泵的知识和丰富的应用经验。今天就与我们联系寻求帮助和支持吧!

    • +86-513-83601666
    • +86-18951331823
    • sales@boden-hyd.com
    其他可能您感兴趣的产品
    • 多联泵
      多联泵 更多
    • 液压同步马达
      液压同步马达 更多
    • 高低压泵
      高低压泵 更多
    产品
    • 液压齿轮泵
    • 多联泵
    • 液压同步马达
    • 高低压泵
    行业应用
    • 物流搬运车辆
    • 工程机械
    • 农业机械
    • 发电系统
    • 高空作业平台
    • 新能源车辆
    关于我们
    • 公司介绍
    • 公司发展
    • 工厂展示
    联系我们

    Slyvia Shen
    sales@boden-hyd.com
    +86-513-83601666
    +86-18951331823
    +86-18951331823